Aansluitgegevens hoge temperatuur panelen
De HT verwarmingspanelen, 900 t/m 3600Watt, kunnen op een aantal manieren worden aangesloten.


Een paneel voorzien van de aansluitingen L1, N en PE kan worden aangesloten op 1F+N+PE (230Vac).
Fase 1 komt op kontakt L1 (bruin).
De Nul komt op kontakt N (blauw) en de PE komt op kontakt PE (geel/groen).


Een paneel voorzien van de aansluitingen L2, L1, N en PE kan worden aangesloten op 2F+N+PE (230/400Vac).
Fase 1 komt op kontakt L1 (bruin), Fase 2 komt op kontakt L2 (zwart).
De Nul komt op kontakt N (blauw) en de PE komt op kontakt PE (geel/groen).


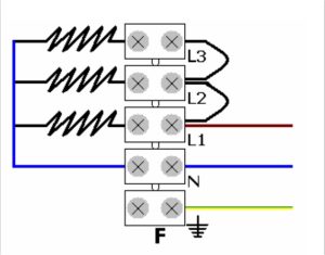
Een paneel voorzien van de aansluitingen L3, L2, L1, N en PE kan worden aangesloten op 3F+N+PE (230/400Vac).
Fase 1 komt op kontakt L1 (bruin), Fase 2 komt op kontakt L2 (zwart), Fase 3 komt op kontakt L3 (zwart/wit).
De Nul komt op kontakt N (blauw) en de PE komt op kontakt PE (geel/groen).


Een paneel voorzien van de aansluitingen L1, N en PE kan worden aangesloten op 1F+N+PE (230Vac).
Fase 1 komt op kontakt L1 (bruin).
De Nul komt op kontakt N (blauw) en de PE komt op kontakt PE (geel/groen).


Een paneel voorzien van de aansluitingen L2, L1, N en PE kan worden aangesloten op 1F+N+PE (230Vac).
Fase 1 komt op kontakt L1 (bruin), L1 en 2 worden met elkaar doorverbonden.
De Nul komt op kontakt N (blauw) en de PE komt op kontakt PE (geel/groen).


Een paneel voorzien van de aansluitingen L3, L2, L1, N en PE kan worden aangesloten op 1F+N+PE (230Vac).
Fase 1 komt op kontakt L1 (bruin), L1, 2 en 3 worden met elkaar doorverbonden.
De Nul komt op kontakt N (blauw) en de PE komt op kontakt PE (geel/groen).